
Operating Limits
Pressure: ≤0.3MPa
Rotary Speed: ≤5000r/min
Temperature: -30˚C ~ +150˚C
Medium: Clean water, seawater, gas engine antifreeze
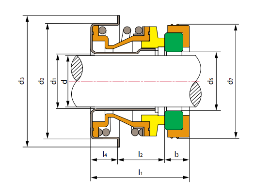
Rotary Ring (Ceramic/SiC)
Stationary Ring (Plastic Carbon/Carbon/SiC)
Secondary Seal (NBR/EPDM/HNBR/VITON)
Spring & Other Parts (SUS304/SUS316)