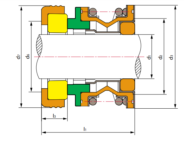
DEMS E-01

Operating Limits

Pressure: ≤1MPa

Speed: ≤12 m/s

Temperature: -30˚C~+200˚C

Rotary Ring(Plastic Carbon/Carbon/SiC/TC)

Stationary Ring(Ceramic/SiC/TC)

Secondary Seal(NBR/EPDM/VITON)

Spring & Other Parts(SUS304/SUS316)

  • Технический рисунок
DEMS E-01
  • Технические характеристики
DEMS E-01

Вы можете связаться с нами