
The high-efficiency D Series pump, which has set the standard in CIP supply for decades, is a reliable and time-proven CIP (Clean-in-Place) feed/return pump.
The D Series is a closed impeller style pump that helps extend seal life. It operates quietly and efficiently.
The DV model features a modified cover with a double-helix design to reduce air entrapment, eliminating the need for an air relief valve.
D Series pumps are cost-effective and can withstand temperatures up to 400°F / 204°C. The pumps come with NEMA standard JM motors for easy connection.
D Series
Centrifugal Pump Features
316L Stainless Steel Heavy Wall Construction
Cast and Machined
Cast Iron Adapter
316L Stainless Steel Shaft Sleeve
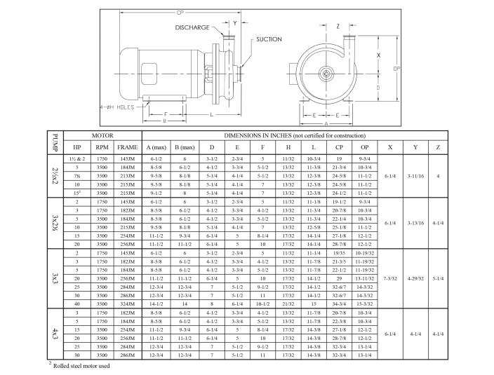
D Series Performance Overview
Models: 4
Maximum Discharge Pressure: 175 PSI / 12 BAR
Maximum Flow Rate: 630 GPM / 143 mᵌ/hour
Maximum Viscosity: 1,200 cP
Seal Features: 6 Seal Options