
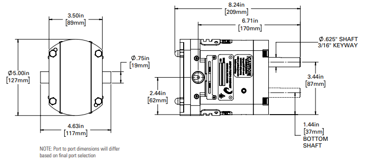
ZP4 The Most Compact Peripheral Piston Pump in the Industry
The NEW Ampco ZP4 and its compact design are perfect for sanitary low flow and metering applications. The ZP4’s compact design delivers the accuracy, reliability and efficiency you expect from a positive displacement pump.
The ZP4 stands out from other sanitary pump options in this category due to its ZERO rotor-to-rotor contact design and durable stainless steel construction.
The ZP4 peripheral piston pump is designed to reduce the potential for product zone contamination from pump wear.